티스토리 뷰
목차
기흥 오산 용인 SK V1 사무실인테리어, 공간을 효율적으로 구성하고 다목적으로 활용하세요
3D


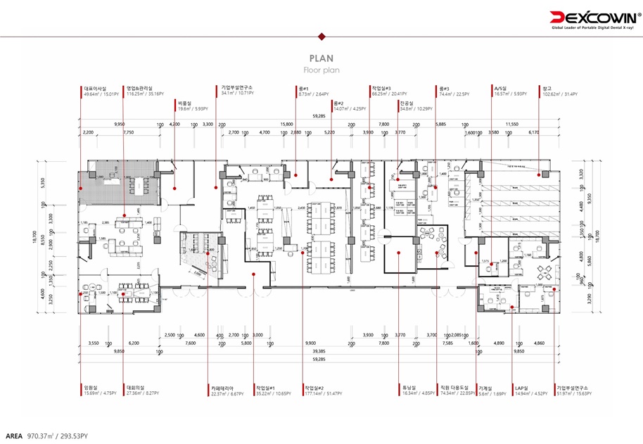
오늘은 기흥 오산 용인 SK V1 사무실인테리어를 효율적으로 구성하고 다양하게 활용할 수 있는 방법을 소개해드리겠습니다. 고객님께서 견적문의를 하시면 충분한 상담과 무료 현장실측을 통해 1:1맞춤 디자인설계를 진행하게 됩니다. 이 때, 평면설계도와 함께 3D 이미지도 함께 제공을 해드리는데요,
그렇게 하면 고객님께서 좀 더 쉽게 이해를 하실 수 있어 결정에 도움이 되기 때문이죠. 평면설계도는 레이아웃과 각 실의 크기 정도만 가늠할 수 있는데 반해 3D 이미지는 디자인, 컬러, 소재, 연출 등의 전반적인 분위기를 파악할 수 있습니다.







이렇게 3D 이미지를 보시면서 좀 더 디테일한 수정이 가능하고 견적과 관련된 의견을 조율할 수 있기 때문에 고객님은 물론 업체 입장에서도 매우 효율적이죠. 비용 절감을 위해 제작가구 대신 시중가구를 사용한다든지 마감재를 비슷한 분위기의 비용이 낮은 것으로 대체한다든지 등에 대해 조율을 하고 그에 따른 이미지 작업을 진행해 최종적으로 확정을 하면 모두가 만족한 결과를 얻을 수 있답니다.
이번 현장의 경우 고객님께서 공간을 분리해 사용하시기를 원하셨고 이를 반영해 각 실을 효율적으로 구성하고 다목적으로 사용할 수 있도록 디자인설계에 반영했습니다.
공사완료



내부 인테리어와 함께 외부 파사드 익스테리어도 진행을 하셨습니다. 두 개의 호실을 사용하기에 외부 출입문도 2개였는데요, 메인 사무실이 있는 호실의 외부는 블랙 컬러를 메인으로 벽면을 디자인하고 연구실이 있는 호실의 외부는 브라운계열로 디자인을 했답니다.
각 벽면은 단차를 둔 패널 디자인을 적용했고 단차에는 조명을 적용함으로써 련되면서 감각적인 파사드가 되도록 연출했습니다. 출입문과 출입문 사이의 벽면에는 글래스 소재를 적용해 심플하면서 세련된 디자인이 되도록 했고 벽면에 로고와 업체명을 사인물로 부착해 포인트를 줬습니다.




메인사무실로 진입을 하면 로비 공간에 휴게공간을 두어 방문객의 대기공간으로 활용하면서 직원들이 잠시 쉴 수 있는 공간이 되도록 했습니다. 입구측에 배치하고 내부 파사드를 세워 공간을 분리하면서 내부를 가려주는 역할을 하도록 했고 발생하는 소음이 안쪽으로 유입되는 것을 막았으며 직원 및 방문객이 자유롭고 편리하게 사용하도록 했죠. 내부는 로고를 응용한 기하학적 디자인을 천장에 적용해 독창적이면서 임팩트 있는 공간이 되도록 했답니다.


따뜻한 색감의 컬러와 조명으로 시공해 안락함을 느낄 수 있도록 했고 매립형 진열장과 조명을 시공해 갤러리같은 분위기를 연출했답니다. 기흥 오산 용인 SK V1 사무실인테리어의 카페테리아나 휴게실도 이렇게 개성있고 고급스럽게 조성하고 싶으시다면 916디자인으로 문의해주세요.



메인 사무실입니다. 영업 및 관리팀이 사용할 공간은 통합형으로 조성해 소통, 공유, 협업, 피드백 등에 유리하도록 했고 대표실, 임원실, 회의실은 유리 가벽을 세워 개방적이면서 독립형으로 사용할 수 있도록 해드렸습니다. 통합형 공간은 베이지톤 유광 바닥으로 시공하고 천장에 레일 조명을 달아 위치와 각도를 조절할 수 있도록 했고 빛 반사로 더욱 밝고 쾌적한 환경이 되도록 했습니다.



대표실과 임원실입니다. 유리 가벽을 세워 공간이 단절되지 않아 넓어 보임으로써 쾌적한 공간이 되도록 했습니다. 대표실은 고급스러운 우드톤과 그레이톤을 사용해 바닥과 벽면을 마감하고 천장엔 라인조명과 매입형 조명을 구성해 조도를 확보했으며 채광이 들어오는 창문에 가구를 배치하는 대신 빌트인 수납장을 시공해 수납력을 확보했습니다. 임원실은 그레이톤으로 연출해 차분한 분위기를 조성했고 벽면에 원목으로 장식을 부착해 포인트를 줬습니다.

회의실입니다. 유리 가벽으로 개방성과 독립성을 부여했고 시트지를 시공해 프라이버시를 확보했습니다. 그레이톤 바닥, 화이트 벽면, 블랙 천장으로 차분하면서 깊이감 있는 공간으로 조성했고 중간에 폴딩도어를 시공해 통합할 수도 분리할 수도 있도록 함으로써 다목적으로 사용할 수 있도록 해드렸답니다.




전체적으로 그레이톤으로 마감해 차별성을 둔 연구실 및 작업실 영역입니다. 각 공간을 목공 가벽으로 시공해 완벽하게 분리되어 독립적으로 사용하면서 소음 발생을 최소화했고 상부에 유리을 적용해 답답함을 해소했습니다.
다양한 업무를 진행해야하는 복합 공간의 기흥 오산 용인 SK V1 사무실인테리어를 계획 중이시라면 저희 916디자인으로 문의해 주세요. 공간을 효율적으로 구성하고 실용적으로 사용할 수 있도록 디자인해드리고 합리적인 견적으로 퀄리티 높게 진행해드리겠습니다.
#기흥 오산 용인 SK V1 사무실인테리어 #사무실인테리어
공사문의 010-3235-8427
포트폴리오 바로가기▶916er.com
전화주시면 간단한 비용견적 상담부터 현장방문 미팅까지 진행하고 있습니다. 연락주세요.
2022.03.10 - [사무실인테리어] - 광주 첨단 프라임비즈파크 비즈밸리 사무실인테리어 복층으로 완벽하게 시공하세요
광주 첨단 프라임비즈파크 비즈밸리 사무실인테리어 복층으로 완벽하게 시공하세요
광주 첨단 프라임비즈파크 비즈밸리 사무실인테리어 복층으로 완벽하게 시공하세요 3D 광주 첨단 프라임비즈파크 비즈밸리 사무실인테리어를 계획 중이시라면 복층으로 시공해보시는 것을 추
dopamine7.com
2022.03.09 - [사무실인테리어] - 성남 분당 판교 SK V1 센트럴 비즈타워 사무실인테리어를 통해 브랜드 이미지를 바꿔보세요
성남 분당 판교 SK V1 센트럴 비즈타워 사무실인테리어를 통해 브랜드 이미지를 바꿔보세요
성남 분당 판교 SK V1 센트럴 비즈타워 사무실인테리어를 통해 브랜드 이미지를 바꿔보세요 공사진행 코로나19의 장기화로 많이 힘든 상황이지만 꾸준한 운동과 건강한 생활로 면역력을 높여 이
dopamine7.com
2022.03.08 - [사무실인테리어] - 부천 옥길동 원미동 BK테크노밸리 서영 아너시티2 사무실인테리어 글래스 가벽과 우드로 시공하세요
부천 옥길동 원미동 BK테크노밸리 서영 아너시티2 사무실인테리어 글래스 가벽과 우드로 시공하
부천 옥길동 원미동 BK테크노밸리 서영 아너시티2 사무실인테리어 글래스 가벽과 우드로 시공하세요 공사완료 오늘은 글래스 가벽과 우드가 조화된 모던하면서 고급스러운 분위기의 사무실인
dopamine7.com
2022.03.07 - [사무실인테리어] - 성동구 성수동 페코텍 글로벌허브 서울숲 비즈포레 사무실인테리어, 우드톤으로 고급스럽고 편안하게 시공하세요
성동구 성수동 페코텍 글로벌허브 서울숲 비즈포레 사무실인테리어, 우드톤으로 고급스럽고 편
성동구 성수동 페코텍 글로벌허브 서울숲 비즈포레 사무실인테리어, 우드톤으로 고급스럽고 편안하게 시공하세요 3D 성동구 성수동 페코텍 글로벌허브 서울숲 비즈포레 사무실인테리어를 계획
dopamine7.com
2022.03.06 - [사무실인테리어] - 춘천 하이테크타워 사무실인테리어 실용적으로 구성하고 싶으시다면 전문업체에 맡기세요
춘천 하이테크타워 사무실인테리어 실용적으로 구성하고 싶으시다면 전문업체에 맡기세요
춘천 하이테크타워 사무실인테리어 실용적으로 구성하고 싶으시다면 전문업체에 맡기세요 3D 오늘은 춘천 하이테크타워 사무실인테리어를 계획하시는 분들에게 도움이 되실만한 현장의 3D 이
dopamine7.com
'사무실인테리어' 카테고리의 다른 글
| 양주 의정부 파주 운정 한강듀클래스 사무실인테리어 3D 이미지로 미리 확인하세요 (0) | 2022.03.16 |
|---|---|
| 멋진 라운지가 있는 세종 테크밸리 청주 테크노S타워 사무실인테리어를 원하신다면~ (0) | 2022.03.15 |
| 성남 분당 판교 제이에스타워 센트럴 비즈타워 사무실인테리어 깔끔하고 쾌적한 환경으로 완성하세요 (0) | 2022.03.14 |
| 동탄금강펜테리움 IX타워 비즈타워 사무실인테리어, 유리 가벽으로 넓고 효율적으로~ (0) | 2022.03.13 |
| 부산 펜타플렉스 벤처타워 사무실인테리어, 통합형과 독립형으로 구성해보세요 (0) | 2022.03.11 |
| 광주 첨단 프라임비즈파크 비즈밸리 사무실인테리어 복층으로 완벽하게 시공하세요 (0) | 2022.03.10 |
| 성남 분당 판교 SK V1 센트럴 비즈타워 사무실인테리어를 통해 브랜드 이미지를 바꿔보세요 (6) | 2022.03.09 |
| 부천 옥길동 원미동 BK테크노밸리 서영 아너시티2 사무실인테리어 글래스 가벽과 우드로 시공하세요 (0) | 2022.03.08 |
- Total
- Today
- Yesterday
- 사무실인테리어전문
- 인테리어
- 사무실리모델링
- 학원인테리어
- 지식산업센터인테리어
- 3D사무실인테리어
- 사무실인테리어비용
- 사무실인테리어잘하는곳
- 916디자인
- 사무실인테리어디자인
- 헬스장인테리어
- 오피스인테리어
- 피티샵인테리어
- 사무실인테리어견적
- 3D디자인
- 사무실인테리어공사
- interior
- 인테리어디자인
- 병원인테리어
- 사무실디자인
- 학원인테리어디자인
- 사무실인테리어추천
- 인천사무실인테리어
- 미용실인테리어
- 사무실인테리어
- 회사인테리어
- 사무실인테리어업체
- 헤어샵인테리어
- 상가인테리어
- 사무실인테리어후기
| 일 | 월 | 화 | 수 | 목 | 금 | 토 |
|---|---|---|---|---|---|---|
| 1 | 2 | |||||
| 3 | 4 | 5 | 6 | 7 | 8 | 9 |
| 10 | 11 | 12 | 13 | 14 | 15 | 16 |
| 17 | 18 | 19 | 20 | 21 | 22 | 23 |
| 24 | 25 | 26 | 27 | 28 | 29 | 30 |
| 31 |
